概 述
三片式球阀连接方式非常多样化,内螺纹、工业厚壁管焊接、卫生管道薄壁管对焊(可配合自动焊机提供加长自动焊)、卫生管道快装、卫生管道卫生法兰,国标管道国标法兰等。
三片式球阀阀体采用的是精密真空蜡模铸造先进工艺,结构合理、造型美观。阀座采用弹性密封结构,密封可靠,启闭轻松。 阀杆采用有倒密封的下装式结构,阀腔异常升压时,阀杆不会被冲出。
三片式球阀阀体均可带国际标准ISO高平台和锁定装置,可配气动执行器,电动执行器,可加阀位所馈及机械定位器和智能定位器,可满足各种工艺自控所需。
结构特点
• 流体阻力小,其阻力系数与同长度的管段相等
• 结构简单、体积小、重量轻
• 紧密可靠,目前球阀的密封面材料广泛使用国产PTFE和进口PTFE、密封性好,在真空系统中也已广泛使用
• 操作方便,开闭迅速,从全开到全关只要旋转90°
• 维修方便,球阀结构简单,密封圈一般都是活动的,拆卸更换都比较方便
• 在全开或全闭时,球体和阀座的密封面与介质隔离,介质通过时,不会引起阀门密封面的侵蚀
• 密封特性:半包密封用在无特殊要求的艺使用,有特殊要的工艺还可提供全包的密封结构
标准规范
• 驱动方式:手动、带高平台可配驱动(气动、电动 )
• 公称通径:DN15~DN100
• 公称压力:1.6MPa,可以定制1.6MPa以上更高压力
• 适用温度:国产PTFE -10~100℃、进口PTFE -10~150℃
• 适用介质:气体、水、油
• 可配驱动:手动 、气动、电动
• 连接标准:机械部标准 JB/T 86-2015工业法兰
• 阀体材质:铸钢、CF8(304)、CF3(304L)、CF8M(316)、CF3M(316L)
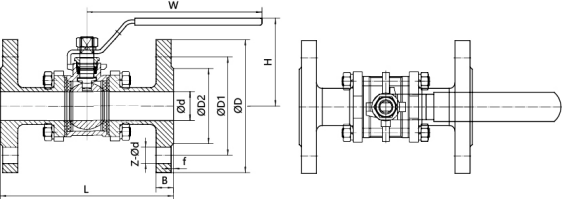
数 据

规格 | d | L | H | W | D | D1 | D2 | B | f | Z-Φd |
DN | NPS |
15 | 1/2" | 15 | 130 | 58 | 98 | 95 | 65 | 45 | 14 | 2 | 4-Φ14 |
20 | 3/4" | 20 | 150 | 72 | 120 | 105 | 75 | 55 | 14 | 2 | 4-Φ14 |
25 | 1" | 25 | 160 | 73 | 145 | 115 | 85 | 65 | 14 | 2 | 4-Φ14 |
32 | 1-1/4" | 32 | 180 | 92 | 158 | 135 | 100 | 78 | 16 | 2 | 4-Φ18 |
40 | 1-1/2" | 40 | 200 | 92 | 166 | 145 | 110 | 85 | 16 | 3 | 4-Φ18 |
50 | 2" | 50 | 230 | 109 | 184 | 160 | 125 | 100 | 16 | 3 | 4-Φ18 |
65 | 2-1/2" | 65 | 290 | 173 | 350 | 180 | 145 | 120 | 18 | 3 | 4-Φ18 |
80 | 3" | 80 | 310 | 182 | 350 | 195 | 160 | 135 | 20 | 3 | 8-Φ18 |
100 | 4" | 100 | 350 | 250 | 550 | 215 | 180 | 155 | 20 | 3 | 8-Φ18 |