概 述
三片式球阀连接方式非常多样化,内螺纹、工业厚壁管焊接、卫生管道薄壁管对焊(可配合自动焊机提供加长自动焊)、卫生管道快装、卫生管道卫生法兰,国标管道国标法兰等。
三片式球阀阀体采用的是精密真空蜡模铸造先进工艺,结构合理、造型美观。阀座采用弹性密封结构,密封可靠,启闭轻松。阀杆采用有倒密封的下装式结构,阀腔异常升压时,阀杆不会被冲出。
三片式球阀阀体均可带国际标准ISO高平台和锁定装置,可配气动执行器,电动执行器,可加阀位所馈及机械定位器和智能定位器,可满足各种工艺自控所需。
结构特点
• 流体阻力小,其阻力系数与同长度的管段相等
• 结构简单、体积小、重量轻
• 紧密可靠,目前球阀的密封面材料广泛使用国产PTFE和进口PTFE、密封性好,在真空系统中也已广泛使用
• 操作方便,开闭迅速,从全开到全关只要旋转90°
• 维修方便,球阀结构简单,密封圈一般都是活动的,拆卸更换都比较方便
• 在全开或全闭时,球体和阀座的密封面与介质隔离,介质通过时,不会引起阀门密封面的侵蚀
• 密封特性:半包密封用在无特殊要求的艺使用,有特殊要的工艺还可提供全包的密封结构
标准规范
• 驱动方式:手动、带高平台可配驱动(气动、电动)
• 公称通径:DN6~DN100 ISO12.7~101.6
• 公称压力:1.6MPa,可以定制1.6MPa以上更高压力
• 适用温度:国产PTFE -10~100℃、进口PTFE -10~150℃
• 适用介质:气体、水、油
• 可配驱动:手动、气动、电动
• 连接标准:内螺纹
• 阀体材质:铸钢、CF8(304)、CF3(304L)、CF8M(316)、CF3M(316L)
数 据

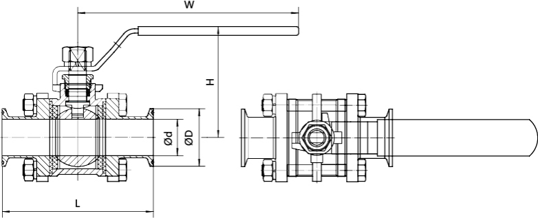
规格 | ID | L | H | W |
DN | NPS |
6 | 1/4" | 11.5 | 67 | 50 | 95 |
10 | 3/8" | 12.5 | 67 | 50 | 95 |
15 | 1/2" | 15 | 71 | 55 | 95 |
20 | 3/4" | 20 | 81 | 65 | 118 |
25 | 1" | 25 | 86 | 74 | 144 |
32 | 1-1/4" | 32 | 110 | 82 | 155 |
40 | 1-1/2" | 38 | 115 | 93 | 158 |
50 | 2" | 50 | 138 | 100 | 180 |
65 | 2-1/2" | 65 | 180 | 126 | 235 |
80 | 3" | 80 | 207 | 137 | 235 |
100 | 4" | 100 | 264 | 172 | 310 |