上海网野阀门制造有限公司
产品中心PRODUCT SHOW

致力于产品的良好用户体验、有效的网络营销效果而努力

GDQ-J-A 常闭型气动高真空挡板阀

  • GDQ-J-A系列常闭型气动高真空挡板阀是通过电磁转向阀依靠压缩空气作为阀板启闭动力,在失去电源或压缩空气时,通径DN80以下的阀门将依靠弹簧力自动关闭阀门,DN100以上的阀门通过电磁阀组利用单向阀迅速关闭气缸原有的气源压力达到自动关闭阀门。从而达到真空系统中迅速切断气流之功能。GDQ-J型为角通型式,GDQ-S型为带预抽口的三通型式。
立即咨询
全国热线135 2453 5400

详情介绍

GDQ-J-A 常闭型气动高真空挡板阀

常闭型气动高真空挡板阀--产品介绍:
GDQ-J-A系列常闭型气动高真空挡板阀是通过电磁转向阀依靠压缩空气作为阀板启闭动力,在失去电源或压缩空气时,通径DN80以下的阀门将依靠弹簧力自动关闭阀门,DN100以上的阀门通过电磁阀组利用单向阀迅速关闭气缸原有的气源压力达到自动关闭阀门。从而达到真空系统中迅速切断气流之功能。GDQ-J型为角通型式,GDQ-S型为带预抽口的三通型式。
适用的工作介质为空气及非腐蚀性气体。
主要技术性能:
适用范围(Pa)
105~1.3x10-4
阀门漏率(Pa.L/S)
≤1.3x10-5
介质温度(℃)

-25~+80(密封材料为丁腈橡胶)
-30~+150(密封材料为氟橡胶)

气源压力(MPa)
0.4~0.8
安装位置
DN<300任意,DN≥300垂直
电源电压

标准出厂:AC220V/50Hz
特殊指定:AC110V;DC24V;DC12V等

信号反馈
标准出厂:不带反馈信号
特殊指定:磁性开关DC/AC5~240V
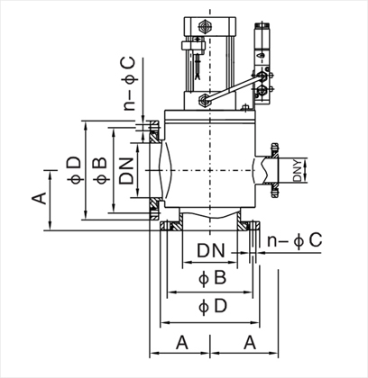
连接及外形尺寸:
型号
通径(DN)
ΦD
ΦB
A
法兰标准
GDQ-J10A/KF
10
30
12.2
30
GB4982
GDQ-J16A/KF
16
30
17.2
40
GB4982
GDQ-J25A/KF
25
40
26.2
50
GB4982
GDQ-J40A/KF
40
55
41.2
65
GB4982
GDQ-J50A/KF
50
75
52.2
70
/
活套法兰连接及外形尺寸:

型号
通径(DN)
ΦD
ΦB
A
n-ΦC
DNy(预抽口)
法兰标准
GDQ-J50A
50
110
90
70
4-Φ9
/
GB/T6070
GDQ-J63A
63
130
110
88
4-Φ9
/
GB/T6070
GDQ-J80A
80
145
125
88
8-Φ9
/
GB/T6070
GDQ-J100A
100
165
145
108
8-Φ9
/
GB/T6070
GDQ-J125A
125
200
175
128
8-Φ11
/
GB/T6070
GDQ-J(S)150A
150
220
195
138
8-Φ11
DN40(GB4982)
JB919
GDQ-J(S)160A
160
225
200
138
8-Φ11
DN40(GB4982)
GB/T6070
GDQ-J(S)200A
200
285
260
200
12-Φ11
DN50(GB/T6070)
GB/T6070
GDQ-J(S)250A
250
335
310
208
12-Φ11
DN50(GB/T6070)
GB/T6070
GDQ-J(S)300A
300
380
350
250
8-Φ14
DN80(GB/T6070)
JB919
GDQ-J(S)320A
320
425
395
250
12-Φ14
DN80(GB/T6070)
GB/T6070
GDQ-J(S)400A
400
510
480
330
16-Φ14
DN100(GB/T6070)
GB/T6070
①GDQ-J(S)400A
400
500
465
330
16-Φ14
DN100(GB/T6070)
JB919
GDQ-J(S)500A
500
610
580
360
16-Φ14
DN125(GB/T6070)
GB/T6070
GDQ-J(S)600A
600
710
670
450
12-Φ21
DN160(GB/T6070)
JB919
GDQ-J(S)630A
630
750
720
450
20-Φ14
DN160(GB/T6070)
GB/T6070
GDQ-J(S)800A
800
920
890
520
24-Φ14
DN200(GB/T6070)
GB/T6070

注:采用JB919法兰连接标准,其侧口同样为GB/T6070标准


标签:

135 2453 5400

全国服务热线

Copyright © 2024 上海网野阀门制造有限公司 All Rights Reserved. 沪ICP备17008218号
上海网野阀门制造有限公司扫一扫咨询微信客服
在线客服
服务热线

服务热线

135 2453 5400

微信咨询
上海网野阀门制造有限公司
返回顶部