GD-J 高真空挡板阀
GD-J型高真空挡板阀--产品介绍:
GD-J型高真空挡板阀(又称角阀)是用于真空系统中用来切断或接通气流之用。传动部件采用螺杆传动升降阀板,动作轻巧、工作可靠。GD-J为角通型式,GD-S为带预抽口的三通型式。适用的介质为空气及非腐蚀性气体。传动部件采用螺纹结构。高真空挡板阀动作轻巧、工作可靠,高真空挡板阀适用温度范围: -30℃-+150℃GD-J系列高真空挡板阀是用于真空系统中用来切断或接通气流之用。
GD-J型高真空挡板阀适用的工作介质为空气、非腐蚀性及不含颗粒灰尘的气体。
GD high vacuum flapper valve is used to put through or cut off the airflow in vacuum pipeline. Applicable medium can be pure air and noncorrosive gases. According to its shaft seal structure, high vacuum flapper valve is classified into GD-J rubber shaft seal type and GD-J(b)bellows shaft seal type. According to its put-through type, it is classified into GD-J angle type and GD-S three-way type with prepumping.
GD-J型高真空挡板阀--主要技术性能:
适用范围(Pa) | 2x105~1.3x10-4 |
阀门漏率(Pa.L/S) | ≤1.3x10-6 |
介质温度(℃) | -25~+80(密封材料为丁腈橡胶) -30~+150(密封材料为氟橡胶) |
安装位置 | 任意 |
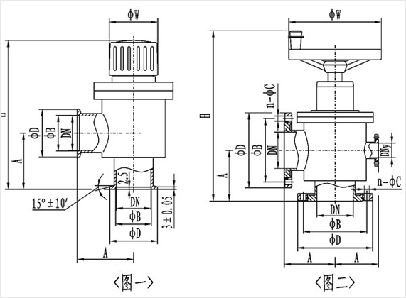
GD-J型高真空挡板阀--连接尺寸:

型号 | 通径(DN) | ΦD | ΦB | H | A |
| ΦW | 法兰标准 |
GD-J10/KF | 10 | 30 | 12.2 | 122 | 30 |
| 36 | GB4982 |
GD-J16/KF | 16 | 30 | 17.2 | 132 | 40 |
| 36 |
GD-J25/KF | 25 | 40 | 26.2 | 158 | 50 |
| 50 |
GD-J40/KF | 40 | 55 | 41.2 | 180 | 65 |
| 56 |
GD-J50/KF | 50 | 75 | 52.2 | 278 | 70 |
| 100 | / |
型号 | 通径(DN) | ΦD | ΦB | H | A | ΦW | n-ΦC | DNy(预抽口) | 法兰标准 |
GD-J50 | 50 | 110 | 90 | 278 | 70 | 100 | 4-Φ9 | / | GB/T6070 |
GD-J63 | 63 | 130 | 110 | 390 | 88 | 160 |
GD-J80 | 80 | 145 | 125 | 432 | 88 | 8-Φ9 |
GD-J100 | 100 | 165 | 145 | 460 | 108 |
GD-J(S)150 | 150 | 220 | 195 | 636 | 138 | 200 | 8-Φ11 | DN40(GB4982) | JB919 |
GD-J(S)160 | 160 | 225 | 200 | 636 | 138 |
| GB/T6070 |
GD-J(S)200 | 200 | 285 | 260 | 788 | 200 | 12-Φ11 | DN50(GB/T6070) |
GD-J(S)250 | 250 | 335 | 310 | 820 | 208 | 250 | DN63(GB/T6070) |
GD-J(S)300 | 300 | 380 | 350 | 980 | 250 | 8-Φ14 | DN80(GB/T6070) | JB919 |