上海网野阀门制造有限公司
产品中心PRODUCT SHOW

致力于产品的良好用户体验、有效的网络营销效果而努力

针型阀

  • 三阀组针型阀是由三个互相沟通的一个高压针型阀和一个低压针型阀以及一个平衡阀组成。根据每个阀在系统中所起的作用可分为:左边为高压阀,右边为低压阀
立即咨询
全国热线135 2453 5400

详情介绍

三阀组针型阀针型阀

◆ 产品型号:三阀组针型阀

产品概述

  针型阀密封性良好,一般用于较小流量,较高压力的气体或液体(如蒸汽、油品)介质的密封。该阀种类一般分为普通截止阀、针型截止阀、角式针型阀、仪表针型阀、波纹管针型阀、阀组等。针型截止阀的密封性良好,使用寿命长,即使密封面损坏后,也只需要更换易损零件,即可继续使用。卡套式仪表阀门具有安装拆卸方便、连接紧固、有利于防火、防爆和耐压能力高、密封性能良好等优点,是电站、炼油、化工装置和仪表测量管路中的一种先进连接方式的阀门。手动截止阀、球阀可安装在管路的任何位置上

结构图 】

image.png 

image.png 

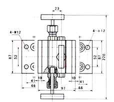
主要外形及连接尺寸

型号

1151-1.6/32P三阀组尺 寸

重量(kg)

Do

D1

H

L

L1

d

3-6

60

97

220

87

54

3-6

2.2

主要性能规范

型号

公称压力(Mpa)

试验压力PS(Mpa)

工作压力(Mpa)

工作温度(℃)

适用介质

壳体

密封(液)

密封(气)

1151-40

4.0

6.0

4.4

0.6

4.0

P≤540℃

液化石油气
水、酸、蒸汽、
油品等

1151-320P

32.0

48.0

32.5

0.6

32.0

C≤425℃

订货须知

 ● ①产品名称与型号 ● ② 1151-1.6/32P三阀组口径● ③是否带附件,以便正确选型。若已由设计单位选定的1151-1.6/32P三阀组型号,请按型号直接向我厂销售部订购。当使用的场合非常重要或环境比较复杂时,请您尽量提供设计图纸和详细参数,由我们的专家为您审核把关。感谢您访问1151-1.6/32P三阀组针型阀组专栏,如有任何疑问。您可以致电给我们,我们一定会尽心尽力为您提供优质的服务。


标签:

135 2453 5400

全国服务热线

Copyright © 2024 上海网野阀门制造有限公司 All Rights Reserved. 沪ICP备17008218号
上海网野阀门制造有限公司扫一扫咨询微信客服
在线客服
服务热线

服务热线

135 2453 5400

微信咨询
上海网野阀门制造有限公司
返回顶部