D41X 卫生级法兰蝶阀
一、D41X卫生级法兰蝶阀--产品特点:
D41X 卫生级法兰蝶阀结构简单、体积小、重量轻、材料耗用省,安装尺寸小、而且驱动力矩小,操作简便、迅速,并且还可同时具有良好的流量调节功能和关闭密封特性。
1、设计新颖、合理、结构独特,重量轻,启闭迅速。
2、操力矩小,操作方便,省力灵巧。
3、可以任何位置安装,维修方便。
4、密封材料耐老化、耐腐蚀,使用寿命长等特点。
二、D41X卫生级法兰蝶阀--工作原理:
卫生级法兰蝶阀专用于乳制品、食品、制药、啤酒、化妆品等工业领域。所有与介质接触部份均为镜面抛光。密封圈Ф25-Ф108使用范围为两种:三元乙丙(EPDM)、硅胶(SI ),Ф57以下为三元乙丙(EPDM) ;启闭件往复回转90°左右来开启、关闭和调节流体通道的一种不锈钢蝶阀。在完全开启时,卫生级法兰蝶阀具有较小的流阻,当开启在大约°至70°之间时,又能进行灵敏的流量控制,因而在大口径的调节领域,阀板的运动带有擦拭性,因而可用于带悬浮固定颗粒的介质,依据密封件的强度也可用于粉状和颗粒状介质。
三、卫生级法兰蝶阀用途:
D41X卫生级法兰蝶阀采用标准电子抛光,光滑表面确保清洁,无介质积存区域,不会产生潜在的污染。快速拆装阀,使阀门打开和维修快捷容易,使过程停机时间缩短。具有结构紧凑、装拆方便等优点。卫生级法兰蝶阀应用于如食品、制药、化妆品、洁净蒸汽、酒类、饮料、生化工业过程控制场合。
四、D41X卫生级法兰蝶阀密封性能:
卫生级法兰蝶阀属中线不锈钢软密封蝶阀,其密封原理为,阀板加工时保证其密封面具有合适的表面粗造度值,合成橡胶阀座在模压成型时形成密封面合适的表面粗糙值。不锈钢蝶阀关闭时,卫生级法兰蝶阀通过阀板的转动,阀板的外圆密封面挤压合成橡胶阀座,使合成橡胶阀座产生弹性变形弹性力作为密封比压保证阀门的密封.
五、D41X卫生级法兰蝶阀设计和特点:
简洁有活力的设计尺寸DN25/1"到DN250/10"多定位手柄尺寸到DN100/4"拉杆手柄尺寸到DN250/10*手动手柄和气动或电动执行器可互换低压消耗任何连接方式的阀体都可以进行更换 材质蝶板: AISI 316L/304(锻造) 阀体: AISI 316L/304 (锻造)垫圈和密封圈: EPDM 根据FDA 177.2600 手柄: AISI 304/PP表面处理: Ra=0.8
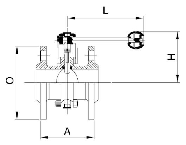
六、D41X卫生级法兰蝶阀--主要外形和连接尺寸:
型号 | A | O | H | L |
DN25 | 100.0 | 115.0 | 80.0 | 120.0 |
DN32 | 100.0 | 135.0 | 80.0 | 120.0 |
DN40 | 100.0 | 145.0 | 86.0 | 120.0 |
DN50 | 102.0 | 160.0 | 106.0 | 120.0 |
DN65 | 106.0 | 180.0 | 115.0 | 150.0 |
DN80 | 108.0 | 195.0 | 122.0 | 150.0 |
DN100 | 114.0 | 215.0 | 132.0 | 170.0 |
DN125 | 140.0 | 245.0 | 147.0 | 210.0 |
DN150 | 160.0 | 280.0 | 162.0 | 210.0 |