GLF-P/GLY-P 不锈钢星型给料机
不锈钢星型给料机详细资料:
一、不锈钢星型给料机应用范围及工作原理:
不锈钢星型给料机又名不锈钢星型卸灰阀,分GLF-P不锈钢星型给料机和GLY-C不锈钢星型给料机,广泛应用于建材、冶金、化工、电力等部门作为各类除尘设备的灰斗卸料装置,也可作为各种磨机、烘干机、料仓等设备的给卸料装置,适用于干燥粉状和小颗状物料,星型卸灰阀依靠物料的重力作用及给料机工作机构的强制作用,将仓内的物料卸出并连续均匀地喂入下一装置中去。
二、不锈钢星型给料机产品特点:
星型卸灰阀主要由壳体、叶轮和端盖组成。采用优质钢板焊接结构,叶片耐磨性强,集传动装置、传动轴、叶片联为一体。具有工作平稳可靠,落料均匀 ,轻便节能的特点。由于星型卸灰阀的轴承和减速机都是向外凸出,能够避免粉尘挤进轴承和大颗粒物料卡死现象。
工作时由减速电机通过联轴带动叶轮转动,把壳体上部的物料均匀带到下部,由下一个装置把物料送走。所以,星型卸灰阀只能直立安装,而不允许水平安装,给料机的上部要保持一定的料柱。
三、不锈钢星型给料主要技术参数表:
| 适用介质 | 工作温度 | 卸灰能力 |
| 干燥粉尘 | 150℃ | 4.5-160m3/h |
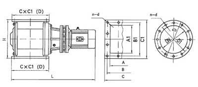
四、不锈钢星型给料机主要外形连接尺寸: 单位:mm

| A1×A | B1×B | C1×C | DN | D | D1 | H | L | n-d | 传动功率型号 | 功率KW | 卸灰能力 m3/h | 重量kg |
| 150×150 | 200×200 | 230×230 | 150 | 230 | 200 | 250 | 870 | 8-Φ13 | BLY-15-43 | 0.75 | 5 | 121 |
| 200×200 | 260×260 | 300×300 | 200 | 300 | 260 | 300 | 910 | 8-Φ17 | BLY-15-43 | 12 | 178 |
| 300×200 | 360×260 | 400×300 |
|
|
| 300 | 910 | 8-Φ17 | BLY-15-43 | 18 | 214 |
| 250×250 | 310×310 | 350×350 | 250 | 350 | 310 | 350 | 910 | 8-Φ17 | BLY-15-43 | 24 | 258 |
| 300×300 | 360×360 | 400×400 | 300 | 400 | 360 | 450 | 1140 | 8-Φ17 | BLY-18-59 | 1.5 | 30 | 308 |
| 400×300 | 460×360 | 500×400 |
|
|
| 450 | 1140 | 10-Φ17 | BLY-18-59 | 40 | 335 |
| 500×300 | 460×360 | 600×400 |
|
|
| 450 | 1140 | 12-Φ17 | BLY-18-59 | 50 | 65 |
| 400×400 | 560×360 | 500×500 | 400 | 500 | 460 | 600 | 1220 | 12-Φ20 | BLY-22-71 | 3 | 60 | 398 |
| 500×400 | 460×460 | 600×500 |
|
|
| 600 | 1220 | 14-Φ26 | BLY-22-71 | 75 | 428 |
| 500×500 | 570×570 | 630×630 | 500 | 630 | 570 | 760 | 1400 | 16-Φ26 | BLY-22-71 | 118 | 524 |
| 700×500 | 770×570 | 830×630 |
|
|
| 760 | 1400 | 18-Φ26 | BLY-22-71 | 160 | 654 |