上海网野阀门制造有限公司
产品中心PRODUCT SHOW

致力于产品的良好用户体验、有效的网络营销效果而努力

ZSJZ 水流指示器

  • ZSJZ水流指示器,用于自动喷水灭火系统,它可以安装在主供水管或横杆水管上,给出某一分区域小区域水流动的电信号,此电信号可送到电控箱,也可用于启动消防水泵的控制开关。
立即咨询
全国热线135 2453 5400

详情介绍

ZSJZ 水流指示器

一、 ZSJZ水流指示器工作原理及用途:


ZSJZ
水流指示器,用于自动喷水灭火系统,它可以安装在主供水管或横杆水管上,给出某一分区域小区域水流动的电信号,此电信号可送到电控箱,也可用于启动消防水泵的控制开关。
我公司生产的
水流指示器系列产品,有带延时电路ZSJZ(A型)和不带延时电路的ZSJZ(B型),每种型号有:50、65、80、100、125、150、六种规格,供不同管道使用,带延时电路的水流指示器,出厂时延迟时间调为30s, 如用户需要其它时间,我公司可按要求供货,连接方法有:管螺纹、焊接、法兰三种型式供用户选择。以上五图分别为螺纹型、焊接型、沟槽型、鞍座型、法兰型



二、ZSJZ水流指示器主要技术参数:

          

1、电压: DC24v2、控制容量:10w3、动作流量: 15-37.5Lmin
4、额定工作压力:1.2Mpa5、延迟时间: 2-90s(可调)6、耗电:<200mA(报警时)



三、 ZSJZ水流指示器安装与维护:


1、 ZSJZ型〈螺纹式〉水流指示器安装采用丁字管螺纹连接,将丁字管中间螺纹同水流指示器连接,其它两端同管道连接,此产品适用于管径50、65、80三种。
2、 .ZSJZ型〈焊接式〉水流指示器安装采用在预定位置,按产品规格,分别钻孔,然后将水流指示器底座取下焊接在管道上,去掉留在内臂铁瘤,钻孔尺寸80以下规格,钻孔 33mm,100以上钻孔48mm。
3、 ZSJZ型〈法兰式〉水流指示器安装采用三通法兰直接同管道法兰连接,适用于管径100mm以上,三通管长度为180mm。
4、 接线、按线端“+"红线接电源“+"DC24V,"-"端黑线接地线"常开"端黄线接报警系统信号端,"公共点“蓝线为减少引线可同”+"端相接。
5、 连接水流指示器管路,必须保证同前后直管长度不小于管路直径5倍,安装时应保证水流指示器与管道中心水平面垂直,铭牌上的箭头方向应与水流方向一致,水流指示口调试和定期检查,可打开分区未端试验装置,放通水流进行模拟试验,检查水流指示器是否改造,若发现故障、应分别检查水流指示器及报警装置,排除故障,使系统处于伺服状态。

 

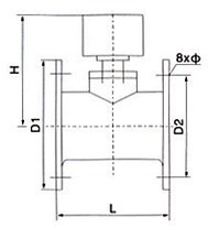
四、ZSJZ水流指示器主要技术参数

 

型号

公称通径

H

D1

D2

L

Φ

ZSJZ-I-3-50

50

160

160

125

150

18

ZSJZ-I-3-65

65

170

180

145

160

18

ZSJZ-I-3-80

80

180

195

160

170

18

ZSJZ-I-3-100

100

195

215

180

180

18

ZSJZ-I-3-125

125

207

245

210

190

18

ZSJZ-I-3-150

150

220

280

240

200

23


标签:

135 2453 5400

全国服务热线

Copyright © 2024 上海网野阀门制造有限公司 All Rights Reserved. 沪ICP备17008218号
上海网野阀门制造有限公司扫一扫咨询微信客服
在线客服
服务热线

服务热线

135 2453 5400

微信咨询
上海网野阀门制造有限公司
返回顶部