K3L 快装气动连体阀
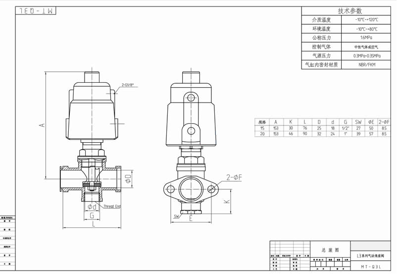
快装气动连体阀--技术参数:
管道压力:Max1.6Mpa(232psi)
控制压力:0.3-0.8Mpa(43.5-116psi)
控制介质:中性气体或空气
阀体材料:CF8M/CF8(SS316,SS304)
密封材料:聚四氟乙烯
适用介质:水,油,气等介质
介质温度:-10℃-+200℃
环境温度:-10℃-+80℃
控制形式:单作用常闭,常开,双作用常闭,双作用自由态
连接形式:卡箍式
阀门特点:阀门阀体结构采用三通连接方式,可实现快速的整齐排管,外形轻巧,结构紧凑,性能优良。混料、控制、连接方便
快装气动连体阀--应用范围:
啤酒饮料灌装设备
制药及医疗设备
印染纺织
化工行业
气体工业
高温灭菌
发泡机械
快装气动连体阀图纸:
