F3 法兰气动角座阀(不锈钢头)
法兰气动角座阀(不锈钢头)--工作原理:
在非工作状态时,由于弹簧力作用,阀门常闭(开)。当执行器活塞被压缩气体作用时,阀门打开(关闭)。双作用形式靠压缩气体控制阀门开关。
法兰气动角座阀(不锈钢头)--应用范围:
啤酒饮料灌装设备
制药及医疗设备
印染纺织
化工行业
气体工业
高温灭菌
发泡机械
水/污水处理
法兰气动角座阀(不锈钢头)--特点:
流量大,流阻小,无水锤
Y型设计,增加30%流量
超长使用寿命
阀杆自动校正,自润滑,免维护
气缸采用不锈钢材质,在恶劣环境中更加优秀,可360°旋转。
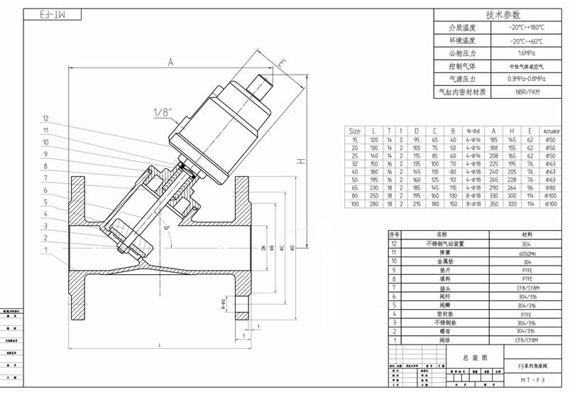
法兰气动角座阀(不锈钢头)--技术参数:
管道压力:Max1.6Mpa(232psi)
控制压力:0.3-0.8Mpa(43.5-116psi)
控制介质:中性气体或空气
阀体材料:CF8M/CF8(SS316,SS304)
密封材料:聚四氟乙烯
气缸材料:CF8(SS304)
气缸尺寸:27mm,32mm,40mm,50mm,63mm,
80mm,100mm,125mm
适用介质:水,酒精,油,染料,蒸汽,中性气体或液体,有机溶剂,酸碱溶液
介质温度:-10℃-+180℃,25℃-+220℃
环境温度:-10℃-+80℃
控制形式:单作用常闭,常开,双作用常闭,双作用自由态
连接形式:螺纹式,焊接式,法兰式,快装式
| 技术参数 |
| 公称通径 | DN15~100mm |
|
|
| 连接方式 | 内螺纹、法兰、焊接、卡箍 |
|
|
| 气缸配置 | 塑料执行器(PA)、不锈钢执行器(PB) |
|
|
| 气缸形式 | 双作用、单作用(弹簧复位) |
|
|
| 控制方式 | 开关型、调节型 |
|
|
| 公称压力 | 16bar(如需更高压力订货时请注明) |
|
|
| 气源压力 | 双作用、单作用:3~8bar |
|
|
| 介质温度 | MF3:-40~220℃(如需更高温度订货时请注明) |
|
|
| 环境温度 | 标准型:-20~80℃ |
|
|
| 阀体材质 | 不锈钢(A、B) |
|
|
| 密封材质 | 聚四氟乙烯(MF3) |
|
|
| 主要零件表 |
| 序号 | 零件名称序号零件名称 |
|
|
| 1 | 指示杆 |
|
|
| 2 | 气缸 |
|
|
| 3 | 进气孔 |
|
|
| 4 | 阀杆 |
|
|
| 5 | 视窗 |
|
|
| 6 | 弹簧 |
|
|
| 7 | 活塞 |
|
|
| 8 | 活塞环 |
|
|
| 9 | 密封弹簧 |
|
|
| 10 | 密封弹簧 |
|
|
| 11 | 连接 |
|
|
| 12 | 阀体密封垫 |
|
|
| 13 | 阀芯密封垫 |
|
|
| 14 | 阀体 |
|
|
| 附件选型 |
| 电磁阀 | 双作用选二位五通、单作用二位三通、单电控双电控订货时注明 |
|
|
| 限位开关 | 远程反馈开关信号 |
|
|
| 定位器 | 输入模拟量信号(4-20mA或者0-10V),调节阀门开度 |
|
|
| 备注 | 以上附件不是标准配件,如需配置请订货时候注明,电磁阀和限位开关有分防爆和不防爆,如需防爆还要注明防爆等级 |
|
|
