上海网野阀门制造有限公司
产品中心PRODUCT SHOW

致力于产品的良好用户体验、有效的网络营销效果而努力

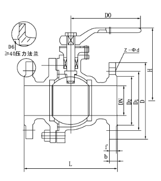
Q941H-16P/R 电动法兰浮动球直通流道硬密封不锈钢(304、316)防爆球阀

  • 进口防爆电动球阀(Q941H)是一种专门用于易燃易爆条件的电动防爆阀,由防爆执行机构和球阀组成。其电气元件需防火、防静电处理,并符合防爆标准。该阀广泛应用于天然气、污水、煤矿、化工等防爆场合,可通过输入相关电源信号控制阀门开关,实现管道中介流量、压力、温度等参数的自动控制。
立即咨询
全国热线135 2453 5400

详情介绍

Q941H-16PR 电动法兰浮动球直通流道硬密封不锈钢(304316)防爆球阀


image.png

标准规范 applicable standards:


设计与制造:

GB/T 12237/1989    

Design:

GB/T 12237/1989  

防火测试:

API 607 4strong993

Fire Safe:

API 607 4strong993

结构长度:

GB/T12221/1989

Face to Face:

GB/T12221/1989

链接法兰:

GB 9113.1

End Flange:

GB 9113.1

检测与试验:

GB/T13927/1992

Inspection &Testing:

GB/T13927/1992

image.png 

 

设计、制造标准

1.设计制造按GB/T12237-89

2.法兰连接尺寸按:JB/T79-94

3.阀门检查和试验按GB/T13927-92

Standard for design and manufacture

1.DesignManafacfure According to GB/T 12237-89

2.FlangeDimensionAccording tojB/T 79-94

3.valve Checkand Test Accordingto GB/T 13927-92

主要零件材料Material of Main Parts

 

材料代号Materia

codel

零件名称

hardwarea pellation

 

C

P

R

阀体Valve body

WCB

lCr18Ni9Ti

1Cr18Ni12M02Ti  

球体Sphere

2Cr13

lCr18Ni9Ti

1Cr18Ni12M02Ti  

阀杆Valw stem

2Cr13

lCr18Ni9Ti

1Cr18Ni12M02Ti  

密封seal

聚四氟乙烯Polytetrafluoroethylene

聚四氟乙烯Polytetrafluoroethylen

聚四氟乙烯Polytetrafluoroethylen

对位聚苯Para-polyphenyl

对位聚苯Para-polyphenyl

对位聚苯Para-polyphenyl

填料Packing

聚四氟乙烯Polytetrafluoroethylene

聚四氟乙烯Polytetrafluoroethylene

聚四氟乙烯Polytetrafluoroethylene

柔性石墨soft graphite

柔性石墨soft graphite

柔性石墨soft graphite

使用介质Applicable medium

水、蒸汽、油品Watersteamoil

硝酸类nitric acid kind

醋酸类acetic acid kind

适用温度Applicable temperatura

选用(聚四氟乙烯)密封材料为≤150℃  

Applicable sealing materialegpolytetrafluoroethyleneequal to 150C or less

选用(对位聚苯}密封材料为≤300℃

Appllcable sealing material(e.g.para-potyphanyt) equal t0 300C orless

 

主要性能规范Main property and Specification

试验压力(MPa)

rest pressure

公称压力PN Noninal  pressure(MPa)

1.6

2.5

4.0

6.4

壳体强度试验

Shell strength test

2.4

3.75

6.0

9.6

密封试验(液)

Sealtest

1.76

2.75

4.4

7.04

密封试验(气)

Sealtest

0.6MPa

适用介质

Applicable medium

C

水.油品.蒸汽

WaterOilSteam

P

硝酸类

Nitric Acid

R

醋酸类

Acetic Acid

适用温度

Applicable temperature

F密封≤150℃  PPL密封≤425℃

 


标签:

135 2453 5400

全国服务热线

Copyright © 2024 上海网野阀门制造有限公司 All Rights Reserved. 沪ICP备17008218号
上海网野阀门制造有限公司扫一扫咨询微信客服
在线客服
服务热线

服务热线

135 2453 5400

微信咨询
上海网野阀门制造有限公司
返回顶部